转发 | 赢博(股份)有限公司官网印发广东省建设工程定额动态调整的通知(第44期)
粤标定函〔2025〕27号
各有关单位:
我站组织专家研析了近期收集的定额动态调整意见建议,现将《广东省房屋建筑与装饰工程综合定额(2018)》和《广东省建设工程施工机具台班费用编制规则(2018)》相关调整内容印发给你们,请遵照执行。
本调整内容与我省现行工程计价依据配套使用,除合同另有约定外,已经合同双方确认的工程造价成果文件不作调整。执行中遇到的问题,请通过“广东省工程造价信息化平台—AI+专家定额解答系统”向专家预约咨询或留言咨询中及时反馈。
附件:
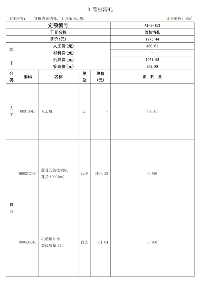
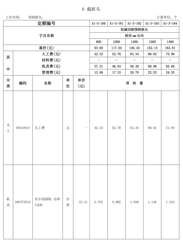
1.《广东省房屋建筑与装饰工程综合定额(2018)》动态调整
2.《广东省建设工程施工机具台班费用编制规则(2018)》调整内容
广东省建设工程标准定额站
2025年9月17日









